關于(yu)電動(dong)球閥(fa)工作(zuo)原理(li)圖及接(jie)線(xian)圖(tu)詳(xiang)細說明,其(qi)中(zhong)包(bao)括(kuo)電(dian)動球閥的工(gong)作原理圖以(yi)及電(dian)動球(qiu)閥(fa)如何(he)接(jie)線(xian)等(deng)詳細(xi)描(miao)述,遇到故障(zhang)時(shi)相應(ying)對(dui)策(ce)以(yi)及(ji)安裝(zhuang)手(shou)冊等(deng)。
TOP系(xi)列(lie)電(dian)動(dong)執(zhi)行器用于控(kong)制(zhi)0°~ 90°施轉(zhuan)的閥(fa)門(men)及(ji)其(qi)他同(tong)類產(chan)品,如蝶(die)閥(fa)、球閥、風(feng)門(men)、旋(xuan)塞(sai)閥(fa)、百(bai)葉(ye)閥等(deng),它以AC24V. 110V、220V、380V交流(liu)電源和(he)IDC24V直(zhi)流(liu)電(dian)源(yuan)為(wei)驅動(dong)電(dian)源,4-20mA電流信號(hao)或0- 10VDC電(dian)壓信(xin)號(hao)為(wei)控制信號(hao),可使閥(fa)門(men)運動到所(suo)需(xu)位(wei)置(zhi),實現(xian)其自動(dong)化控制(zhi)。可(ke)以廣(guang)泛(fan)應用(yong)于石(shi)油、化工、電(dian)力(li)、冶(ye)金(jin)、制(zhi)藥、造紙(zhi)、能(neng)源(yuan)、水處理(li)、船舶、紡織、食品加(jia)工、樓宇白(bai)動化(hua)等領(ling)域(yu)。同(tong)時(shi)更具有(you)休積小(xiao)、重(zhong)量輕、外(wai)形精美(mei)、結構(gou)獨特、緊(jin)湊、啟(qi)閉(bi)逃(tao)速(su)、易(yi)于(yu)安(an)裝(zhuang)、操(cao)作(zuo)扭(niu)矩小,操件方(fang)便、數顯(xian)閥(fa)位、無(wu)須(xu)維護及(ji)使用(yong)安(an)全方便(bian)等諸多優點在(zai)安(an)裝或使(shi)用(yong)TOP系(xi)列產(chan)品之(zhi)前(qian),請(qing)您(nin)務必(bi)詳(xiang)細閱讀(du)本(ben)說明書(shu)。
1、型號表(biao)示方法
TOP- ARC-1
A:表示產(chan)品(pin)代(dai)數,如(ru)“1" 表(biao)示*一(yi)代(dai)產品,“2” 表(biao)示*二(er)代,以(yi)此類(lei)推。
B:表(biao)示(shi)產品力知(zhi)(數字(zi)x10)包括: 05. 10, 16、20,40,60,100, 200.
C:表示控制(zhi)電(dian)路形式: ABCDE F和(he)H。
D:附(fu)加(jia)功能:可(ke)以(yi)選也可(ke)以(yi)缺失(shi)( 220V.標準結構(gou)支架聯(lian)軸(zhou)器(qi)廠(chang)家(jia)白配(pei))
B:電源(yuan)AC 24V
C:電源(yuan)DC 24V
D:電(dian)源(yuan)AC 220V
E:電(dian)源AC 380V
F:電(dian)源AC 110V
1:白裝式結(jie)構、文架聯軸器一(yi)體(ti)、 直(zhi)接(jie)安(an)裝當配閥門時、閥門J單(dan)獨根(gen)據要求外選型(xing)。
K:快開系列、同轉(zhuan)時(shi)間(jian)30s變成15s,或10s少(shao)成(cheng)4s,力矩30,100, 200, 400Nm變成(cheng)20, 50, 100,
200Nm:
M:慢開系列、回轉(zhuan)時間(jian)出20s或(huo)30s變成60x.力(li)矩30,100, 200. 400Nm輸出(chu)保(bao)持(chi)不變(bian)。
DF:斷電發位,外接(jie)電路共有(you)2種(zhong)( AC220V類控制型和DC類控(kong)制型)
AP:無線APP控制。
CF:光(guang)伏(fu)+現場控制箱控制(zhi)。
AGF:光伏(fu)+無(wu)線(xian)A PP控制。
QS:潛水(shui)型(xing)。
MK:智能開(kai)關(guan)型,MTI:智(zhi)能(neng)調節型。
例(li)如: T0P-110A-E, 表(biao)示系(xi)列產(chan)品(pin)*代(dai)背(bei)通(tong)形(xing)電(dian)動執(zhi)行(xing)器,力(li)知為100NM,控(kong)制電(dian)路(lu)為(wei)A型,電(dian)
壓380V。
例如: TOP-110A- E,表示系(xi)列(lie)產(chan)品(pin)*一(yi)代(dai)通(tong)型(xing)電(dian)動執行(xing)器,力知為(wei)100NW,控(kong)制電(dian)路為(wei)A型,電(dian)
壓(ya)380V。
2、使(shi)用(yong)注意事(shi)項
●通(tong)電(dian)時禁止于(yu)動操(cao)作。
●述(shu)電前請確(que)認(ren)輸(shu)人電(dian)壓(ya)及(ji)接(jie)線位置是否(fou)正(zheng)確。
●產品(pin)銘(ming)牌和(he)警示標(biao)貼(tie)不得(de)撕(si)股(gu)或丟失,其上(shang)的文(wen)字(zi)應(ying)保(bao)持清晰。
●調(diao)試(shi)或維修(xiu)時(shi)。各(ge)個(ge)腔(qiang)蓋與箱(xiang)體的緊(jin)固(gu)蝶(die)絲不(bu)可(ke)漏(lou)裝。
●電動執行(xing)器禁(jin)止(zhi)超(chao)載(zai)使(shi)用(yong)。
●產(chan)品(pin)必須(xu)內外(wai)接(jie)地(di),各(ge)緊(jin)固(gu)件不(bu)得(de)松動(dong)并應(ying)定期檢(jian)查(cha)。
●配(pei)線進(jin)口必須(xu)按照使(shi)用(yong)說明(ming)書要求做(zuo)好防(fang)水電纜接(jie)頭(tou)的(de)密封處(chu)理(li)不則(ze)水或污水會(hui)從(cong)進線(xian)口進(jin)入(ru)進(jin)
面損壞(huai)電(dian)動(dong)執行器。
●安(an)裝調試人員(yuan)必須(xu)具有(you)相(xiang)關(guan)的(de)操作(zuo)資質(zhi)。
3、產(chan)品結(jie)構(gou)圖(tu)

4、防(fang)爆(bao)零件(jian)明(ming)細(xi)表(biao) | 序號(hao) | 名(ming)稱(cheng) | 數量(liang) | 材(cai)料 |
| 1 | 箱(xiang)體(ti) | 1 | ADC12 |
| 2 | 電機蓋(gai) | 1 | 40Cr |
| 3 | 電機(ji)轉子(zi)軸 | 1 | 40Cr |
| 4 | 側蓋 | 1 | ADC12 |
| 5 | 后蓋(gai) | 1 | ADC12 |
| 6 | 防水(shui)接頭(tou) | 2 | 304不銹鋼(gang) |
| 7 | 防(fang)水鏡(jing)片 | 1 | PMMA亞克力(li) |
| 8 | 鏡(jing)片壓(ya)蓋 | 1 | ADC12 |
| 9 | 上蓋(gai) | 1 | ADC12 |
| 10 | O型(xing)密(mi)封(feng)圈 | 2 | 丁(ding)青(qing)橡(xiang)膠(jiao) |
5、105系列(lie)外(wai)形尺(chi)寸與(yu)性能參(can)數

6、110及(ji)116系列(lie)外形(xing)尺寸與性(xing)能(neng)參數(shu)


7、120及(ji)140以及160系(xi)列外形(xing)尺寸與性(xing)能參數


8、1100及1200系列外(wai)形尺寸與(yu)性能(neng)參數(shu)


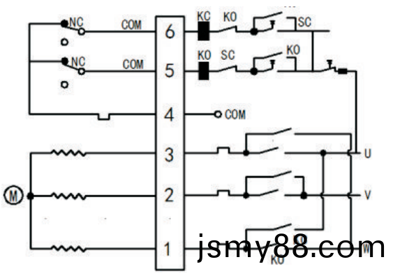
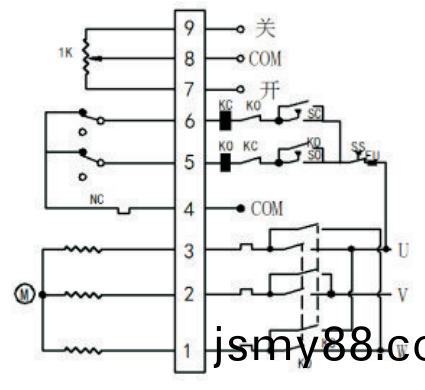
9、電(dian)路(lu)控制(zhi)說明
(1)AC220V開(kai)關型(xing)(標(biao)準(zhun)型)線路(lu)圖

A型(xing):極限位置開關(guan)(標準型)
功能:通過開關電(dian)路(lu)實現開(kai)啟、關閉(bi)操作、并輸(shu)出(chu)一組有源觸點信號(hao)
(2)AC220V無(wu)源(yuan)觸(chu)點線路圖

B型:極(ji)限(xian)位置(zhi)開關(guan)無(wu)源觸點
功能:通過(guo)開關電(dian)源(yuan)實(shi)現(xian)開啟、關(guan)閉(bi)操作,并(bing)輸出(chu)一組指示閥全(quan)開、全關(guan)到位(wei)的無(wu)源(yuan)觸(chu)點(dian)信(xin)號
?(3)AC220V開(kai)度信號(hao)線路(lu)圖

C型(xing):帶(dai)電(dian)位(wei)器
功能:通(tong)過(guo)開(kai)關(guan)電路控制閥(fa)門(men)開(kai)啟角(jiao)度并(bing)輸(shu)出(chu)與開(kai)度位置(zhi)對應(ying)的電阻信號(hao)。
結(jie)構(gou):帶5000Ω或1000Ω電(dian)位(wei)器
(4)AC380V標準(zhun)型(xing)線(xian)路(lu)圖(tu)

A型(xing):極限位置(zhi)開(kai)關(guan)(標準型(xing))
功(gong)能:通過開(kai)關電(dian)路(lu)實(shi)現開(kai)啟(qi)、關閉操作(zuo)、并輸(shu)出(chu)一-組(zu)有(you)源(yuan)觸(chu)點(dian)信(xin)號
(5)AC380V無源(yuan)觸點(dian)線路(lu)圖

B型(xing):極限位置開關(guan)無(wu)源觸(chu)點
功能(neng):通(tong)過(guo)開關電源(yuan)實現(xian)開啟、關閉(bi)操作,并輸(shu)出(chu)一(yi)組(zu)指(zhi)示閥(fa)全開(kai)、全(quan)閉(bi)到(dao)位(wei)的無(wu)源(yuan).輸出一(yi)組指(zhi)示閥全(quan)開、全(quan)閉(bi)到(dao)位的無源觸(chu)點(dian)信號(hao)
(6)AC380V開度信(xin)號(R)線(xian)路圖(tu)

C型(xing):帶電位(wei)器
功(gong)能(neng):通過開關(guan)電(dian)路(lu)控(kong)制(zhi)閥(fa)門開(kai)啟(qi)角度(du)并輸(shu)出與(yu)結(jie)構(gou):帶500Ω或1000Ω電位(wei)器(qi)
(7)直(zhi)流無源觸(chu)點線路圖(tu)

D型(xing):直流普(pu)通開(kai)關型
功(gong)能:通過(guo)切換外(wai)部(bu)電源(yuan)的(de)正負極,實(shi)現閥門的開(kai)啟、關(guan)閉操(cao)作,并輸出(chu)一組指示(shi)閥(fa)全開(kai)、全(quan)關到(dao)位的無源觸點(dian)信(xin)號(8)整(zheng)體(ti)開(kai)關(guan)型(xing)- -F型
(9)整(zheng)體(ti)調(diao)節型(xing)- -E型
(10)智能(neng)開(kai)關型(xing)一-MK型(xing)
(11)智能(neng)調節(jie)型(xing)- -MT型
備(bei)注(zhu):接(jie)線圖(tu)詳見模塊部(bu)分(fen)說明。
10、使(shi)用要求(qiu)說明(ming)

執行(xing)機構(gou)與閥(fa)門(men)的安裝(zhuang)(圖(tu)1)
(1)安(an)裝環(huan)境要(yao)求●本(ben)產品(pin)即可(ke)在(zai)室內(nei)安(an)裝,也(ye)可在(zai)室(shi)外(wai)安裝。
●在長(zhang)期(qi)有雨水(shui)、原(yuan)料等飛濺和(he)陽光(guang)直射的環境,需要安裝保(bao)護整(zheng)臺電(dian)動執(zhi)行(xing)機構(gou)的(de)防護裝置。
●請預留接線、手動(dong)操作(zuo)等(deng)安(an)裝維修空(kong)間(jian)。
●周(zhou)邊(bian)環(huan)境溫度(du)- 20~-60C范圍內(nei)。
(2)進(jin)線要(yao)求
●進(jin)線電(dian)纜直徑(jing)≤14mm。
●電(dian)源線電纜、信號(hao)線電纜(lan)應(ying)分(fen)別(bie)從兩個(ge)防水(shui)接(jie)頭(tou)引人電動(dong)執行(xing)機(ji)構,并要求接地(di),信號(hao)線(xian)原則上(shang)要(yao)使(shi)用屏(ping)蔽線(xian)。
(3)接線方(fang)法(fa)
●如(ru)圖(tu)1所(suo)示,旋(xuan)下防水接(jie)頭(tou)的壓緊螺母(mu),將(jiang)進線電(dian)纜(lan)從密封(feng)膠(jiao)塞(sai),壓緊螺母(mu),防(fang)爆接頭(tou)體內穿入電(dian)動(dong)執(zhi)行結構內(nei)部(bu)。
●根(gen)據(ju)控制(zhi)電路(lu)圖進(jin)行接(jie)線。
●旋緊壓(ya)緊(jin)螺(luo)母,使密(mi)封膠塞與(yu)電纜(lan)接(jie)合(he)處不得有(you)間(jian)隙(xi)。
●進線電纜外徑應(ying)與防(fang)水(shui)接頭體內(nei)孔徑(jing)相等(deng),禁止(zhi)使(shi)用不合(he)要求(qiu)的單根(gen)電(dian)線。
●必(bi)須作好執(zhi)行機(ji)構(gou)內(nei)部(bu)和外(wai)殼(ke)的(de)接觸(chu)。
●本(ben)說明(ming)書所述(shu)的只是防(fang)水電纜(lan)接(jie)頭的(de)一(yi)種(zhong)形(xing)式,用戶亦(yi)可根(gen)據需(xu)要選用其(qi)它(ta)符(fu)合(he)防(fang)水要求(qiu)的電(dian)纜、接(jie)頭(tou)及接線(xian)方(fang)法(fa)。
(4)電(dian)源的要(yao)求(qiu)
●根據(ju)所訂(ding)購機型使(shi)用電(dian)源(yuan)的類型提(ti)供相應(ying)的現場供電(dian)。
●對(dui)于(yu)現場(chang)的(de)供(gong)電(dian)電源(yuan)、電(dian)壓應符(fu)合以下(xia)要求:
1、AC380V土10% 50/60Hz
2、AC220V土(tu)10% 50/60Hz
3、AC110V土10% 50/60Hz
4、AC24V土10% 50/60Hz
(5)短(duan)路(lu)開關保險(xian)絲(si)的選(xuan)用(yong)

11、執行機(ji)構與(yu)閥體的(de)安(an)裝(zhuang)

執(zhi)行(xing)機構與閥門的安(an)裝(zhuang)(圖2)1、手(shou)動(dong)轉(zhuan)動(dong)閥門(men),檢查(cha)無(wu)異常(chang)情(qing)況,并(bing)使閥廣(guang)]處于(yu)全關(guan)位(wei)置。
2、將支(zhi)架(jia)固(gu)定在(zai)閥(fa)門(men)上。
3、將聯(lian)軸器(qi)的一端套在閥廣(guang)]芯軸上(shang)。
4、用手(shou)柄驅動(dong)電動執行機(ji)構(gou)至全關位置(zhi)(指針(zhen)正指SHUT、0刻度),將(jiang)輸(shu)出軸插人(ren)聯(lian)軸器四方孔內。
5、緊(jin)固支(zhi)架(jia)與(yu)電(dian)動執(zhi)行(xing)機(ji)構和閥體(ti)間的(de)連接螺(luo)栓。
6、用(yong)手柄驅(qu)動執(zhi)行(xing)機(ji)構(gou)全(quan)程(cheng),確認(ren)運行(xing)平(ping)穩(wen)、無(wu)偏(pian)心(xin)、無(wu)歪(wai)斜(xie),檢(jian)查(cha)閥門在執行(xing)機構開度指(zhi)示范圍能否(fou)實(shi)現全關和全(quan)開(kai)。
注意(yi):用(yong)力不可過(guo)猛(meng),否(fou)則(ze)會(hui)導(dao)致執(zhi)行(xing)機構(gou)超(chao)程運行而(er)造成(cheng)損壞。

執行(xing)機(ji)構(gou)與閥門(men)的安(an)裝(圖(tu)3)特別提示
●對于(yu)自備支架、聯軸(zhou)器(qi)的用(yong)戶(hu),請(qing)注意:
●支架(jia)、聯軸(zhou)器應由(you)專業機構技術人員設(she)計加工(gong)并應(ying)符合(圖(tu)3)的標注(zhu)要求(qiu)。
●聯(lian)軸器(qi)兩端軸孔(kong)的(de)加工(gong)應(ying)保證(zheng)必(bi)要(yao)的(de)精(jing)度,盡可能消(xiao)除(chu)傳(chuan)動(dong)間隙,以(yi)免(mian)閥(fa)門工作中(zhong)出現回(hui)差(cha)。
●應(ying)嚴格(ge)保(bao)證(zheng)聯(lian)軸器(qi)兩端軸(zhou)孔的位置(zhi)度(du),否則有可能超出(chu)執行機構設(she)計(ji)的(de)工(gong)作范(fan)圍,導(dao)致(zhi)因(yin)執(zhi)行機(ji)構(gou)行(xing)程無法(fa)調整而(er)使閥(fa)門不(bu)能正工(gong)作。12、電(dian)動(dong)閥(fa)門(men)的(de)整(zheng)機(ji)調(diao)試
(1)電(dian)位(wei)限位的調(diao)整
用(yong)2mm內六角(jiao)扳手對準限(xian)位(wei)塊(kuai)調節(jie)孔(kong),旋轉(zhuan)內六(liu)角即可(ke)調(diao)整行程擋(dang)塊(kuai)的角(jiao)度從而(er)改(gai)變(bian)電(dian)氣限位的開閉角(jiao)度(du)。調整(zheng)好(hao)后(hou)移開內六(liu)角(jiao)扳(ban)手即(ji)可。限位(wei)組件(jian)上(shang)帶(dai)‘S' 標(biao)記(ji)位(wei)置調節(jie)孔對(dui)應的是(shi)上(shang)限(xian)位塊即關(guan)方(fang)向(xiang),‘O'標記的調(diao)節(jie)孔對應(ying)的(de)是下(xia)限位(wei)塊即(ji)開(kai)方向。行(xing)程(cheng)開(kai)關(guan)和(he)行程限(xian)位(wei)調(diao)節(jie)組件(jian)布局(ju)如(圖4)所示(shi)。

特別(bie)提(ti)示:出(chu)廠產品(pin)調試時,“開向(xiang)信號” 微動(dong)開關超前“ 全(quan)開(kai)位”微動(dong)開關2°“關向信(xin)號” 微動(dong)開(kai)關超前“全關(guan)位(wei)”微動(dong)開關(guan)2°實際(ji)使(shi)用(yong)時(shi)也可根據(ju)控(kong)制需(xu)要(yao)進行(xing)調整(zheng)。“ 開向(xiang)信(xin)號”、“ 關(guan)向信號(hao)”微(wei)動(dong)開(kai)關(guan)動作(zuo)時輸出無(wu)源觸點信號(hao),“全開(kai)位”、“ 全關位(wei)”微(wei)動(dong)開(kai)關(guan)動作時(shi)控(kong)制(zhi)閥門的(de)全開(kai)和全關位(wei)置。( 圖5 )

(2)電位器的調(diao)整(zheng)(開度(du)型(xing)、智(zhi)能型(xing))a.電(dian)位(wei)器的電(dian)阻(zu)值為1KΩ、5KΩ。
b.用手(shou)柄轉(zhuan)動(dong)閥門到(dao)全(quan)閉位(wei)置(zhi)。
c.松開電(dian)位(wei)器,轉動(dong)電(dian)位(wei)器齒輪(lun),用(yong)萬能表(biao)測(ce)量4 -5接線端子(zi)間(jian)的電(dian)阻值(zhi),使4-5間(jian)的電阻(zu)值(zhi)到5Ω以(yi)下(xia),緊(jin)固(gu)電(dian)位(wei)器(qi)固定(ding)螺釘。(如果是智(zhi)能型的(de)七線(xian)接插件(jian)連接(jie)時請(qing)測量對(dui)RV和(he)RS兩插孔(kong)的(de)電阻(zu)值)
注:手(shou)動操(cao)作(zuo)時(shi),不(bu)能(neng)過分超出全(quan)開(kai),全(quan)關的(de)極(ji)限(xian)位置,轉(zhuan)角(jiao)過(guo)大(da),會(hui)導(dao)致(zhi)其部件(jian)的(de)損(sun)壞(huai)。
(2)機(ji)械限(xian)位(wei)的調整
a.用手(shou)柄轉動到(dao)全開位(wei)置。
b.松(song)開(kai)鎖緊(jin)螺母(mu),旋轉(zhuan)調整螺釘,使之(zhi)與(yu)機械擋(dang)塊解除(chu),然(ran)后(hou),反(fan)方(fang)向旋轉螺(luo)釘(ding)半圈(quan),鎖(suo)緊(jin)螺母。
c.同(tong)樣(yang)方(fang)法(fa),可進行(xing)全閉位置(zhi)的機械擋塊的調(diao)整(zheng)。(圖6)

特(te)別(bie)提示:調(diao)試(shi)完成(cheng)后(hou),執(zhi)行器電(dian)氣限位(wei)位(wei)置(zhi)與機械限位位(wei)置(zhi)必須(xu)滿(man)足(圖(tu)7)要(yao)求(qiu),如果機械(xie)限位超(chao)前或(huo)重(zhong)合(he)于電氣限位(wei),將會(hui)造成執行機(ji)構電機堵(du)轉(zhuan),發(fa)熱甚(shen)至(zhi)導(dao)致電機(ji)燒(shao)毀.
13、調節(jie)型調試(shi)
調(diao)節型(xing)智能定(ding)位(wei)器(qi)是(shi)高(gao)精(jing)度(du)電動執(zhi)行器控制(zhi)器,能直(zhi)接(jie)接收工業(ye)控(kong)制(zhi)系統(tong),工業儀(yi)表(biao)或計算(suan)機控制(zhi)系統(tong)輸(shu)出的4-20mA DC信號(hao)和執(zhi)行(xing)器(qi)內部位(wei)置反(fan)饋(kui)信號,對各種電動執行(xing)器(qi)實現比例調(diao)節(jie)式控(kong)制(zhi)。該產(chan)品操作簡(jian)單,調試(shi)方(fang)便(bian),可靠(kao)性強(qiang),體(ti)積小巧,適(shi)合(he)直接(jie)安裝在(zai)各(ge)種(zhong)電(dian)動(dong)執行(xing)器接線盒(he)內,是升級執行(xing)器的(de)可靠選(xuan)擇(ze)。
14.性能特(te)點(dian)
●可自(zi)適(shi)應各(ge)種電動(dong)執(zhi)行器(qi),適(shi)用(yong)的(de)反(fan)饋電(dian)阻(zu): 500Ω~10KΩ。
●單鍵自動(dong)標(biao)定(ding),省(sheng)卻(que)了復(fu)雜的(de)初(chu)始(shi)標定。
●即可接(jie)收工(gong)業儀表的信(xin)號(hao)自動定(ding)位,亦可(ke)手動(dong)控制執(zhi)行(xing)器開(kai)度(du),以利(li)現場控(kong)制。
●故(gu)障自我(wo)診斷,自我(wo)保(bao)護功能(neng)。
●系統模式設(she)置采用波動(dong)開關(guan),只(zhi)觀(guan)、方(fang)便,可實(shi)現(xian)無擾切換。
●可(ke)設定(ding)執行器(qi)無(wu)信(xin)號狀(zhuang)態:開、停、關(guan)。
●可(ke)輸(shu)出(chu)4~20mA直流(liu)信(xin)號,并實(shi)現與(yu)電源(yuan),輸入信號(hao)的完(wan)全隔(ge)離(li)。
●可(ke)方便(bian)的(de)調整靈(ling)敏度(精度(du))15.技術(shu)指(zhi)標
●精(jing)度: 0.1%-3%(通過d參(can)數(shu)可調(diao));
●控制信(xin)號: 4~20mA DC(特殊(shu)可(ke)制(zhi)度)
●工(gong)作電源: 220V/50Hz AC
●大驅動(dong)電(dian)機(ji)功率(lv):≤300W
●環(huan)境(jing)溫度: 65C
●溫度濕(shi)度: 70C
●輸(shu)出(chu)組(zu)坑(keng):≤500Ω
●輸(shu)人組坑(keng): < 250Ω
調(diao)節(jie)型調試
16.執行機構(gou)的(de)調整(zheng)
在(zai)調(diao)整(zheng)智(zhi)能(neng)定(ding)位器之(zhi)前(qian),應清(qing)除(chu)開(kai)關(guan)角度的(de)調整(zheng)方(fang)法,根據(ju)閥門的(de)全閉(bi)、全開調整執(zhi)行(xing)機(ji)構(gou)的電(dian)氣(qi)限位(wei)、電位(wei)器(qi)和(he)機(ji)械限位(wei)。

17.定(ding)位(wei)器(qi)面板| 參數(shu)顯示(shi) | 13 | LED視(shi)窗(chuang) | 通(tong)過按鍵(jian)顯(xian)示(shi)閥門(men)實際開(kai)度、閥(fa)位(wei)設(she)定開度、故(gu)障(zhang)代碼、定位器、殼內溫度(du)和設定(ding)參(can)數等(deng)信(xin)息(xi) |
| 14 | ? | 指(zhi)示LED視(shi)窗當(dang)前(qian)的顯示值(zhi)是(shi)閥(fa)位(wei)值(zhi) |
| 15 | ? | 指(zhi)示(shi)LED視(shi)窗(chuang)當前(qian)的顯示(shi)值(zhi)是(shi)設定值 |
| 16 | ? | 指示(shi)LED視窗當(dang)前(qian)的(de)顯(xian)示值(zhi)單位(wei)是攝氏度(du) |
| 17 | ? | 指示LED視窗當(dang)前的顯示值單位是(shi)毫米 |
| 18 | ? | 指(zhi)示LED視窗(chuang)當(dang)前的(de)顯示值(zhi)單(dan)位(wei)是百(bai)分(fen)比 |
| 工(gong)作模(mo)式(shi) | 19 | ? | 遠程控制模式(shi):接收(shou)外(wai)部(bu)信(xin)號控(kong)制 |
| 20 | ? | 停(ting)止控制(zhi)模(mo)式(shi):此(ci)功能(neng)保(bao)留 |
| 21 | ? | 本(ben)地(di)控制(zhi)模(mo)式:可以(yi)按鍵(jian)操(cao)作(zuo)執行(xing)器開(kai)與(yu)閉 |
| 運行(xing)狀態(tai) | 22 | ? | 檢測到錯(cuo)誤(wu)同時(shi)LED屏(ping)顯示(shi)錯(cuo)誤(wu)代碼(ma),詳(xiang)情參(can)考錯誤(wu)代(dai)碼表 |
| 23 | ? | 過(guo)力矩 |
| 狀態(tai)指示(shi) | 24 | ? | 反(fan)動作模(mo)式,對(dui)應關(guan)系(xi)如(ru)下(xia):給定(ding)信號(hao)4mA或OV時,對(dui)應(ying)執(zhi)行器(qi)實(shi)際位(wei)置(zhi)100%,反饋(kui)輸(shu)出(chu)為(wei)4mA或0V,閥門全(quan)開(kai);給(gei)定信(xin)號(hao)20mA或1OV時(shi),對應(ying)執行器實(shi)際(ji)位(wei)置(zhi)0%,區(qu)饋輸出為20mA或10V,閥門全(quan)關。 |
| 25 | ? | 關到位(wei)指示(shi) |
| 26 | ? | 開到(dao)位(wei)指(zhi)示 |
| 27 | ? | 堵轉(zhuan)指示 |
| 28 | ? | 死區(qu)指(zhi)示 |
| LED指示(shi) | 29 | PWR | 電(dian)源指示(shi)燈(deng) |
| 30 | OPEN | 執行器開(kai)運行指(zhi)示燈(deng) |
| 31 | CLOSE | 執(zhi)行器關運行(xing)指示(shi)燈 |
| 按(an)鍵 | 31 | A/M | 遠程(cheng)/本(ben)地切換鍵(jian)或參(can)數修(xiu)改后確(que)認(ren),長按4秒(miao):進入(ru)參數修改(gai) |
| 33 | UP | 數(shu)值增(zeng)加鍵,自(zi)動(dong)狀態可用于切(qie)換顯(xian)示閥位(wei)設(she)定開(kai)度值(zhi),手(shou)動(dong)狀(zhuang)態(tai)下(xia)為(wei)‘開(kai)’ |
| 34 | DOWN | 數值減少鍵(jian),自(zi)動(dong)狀態可用于(yu)切換(huan)顯(xian)示(shi)定(ding)位(wei)器殼(ke)內(nei)溫(wen)度(du),手(shou)動(dong)狀(zhuang)態下為(wei)‘ 閉(bi)' |
18.接(jie)線方(fang)法及(ji)圖(tu)示
●參見圖2進行(xing)接(jie)線。按照接(jie)線端(duan)子(zi)和儀(yi)表外殼上(shang)的(de)接線(xian)圖,連接(jie)好(hao)電動執(zhi)行器和(he)電源連(lian)線(xian),注意連(lian)接時(shi)的極性(xing),三相(xiang)電機接線,現(xian)場無(wu)需關心(xin)相(xiang)序(xu)問(wen)題;
●為減(jian)少(shao)電(dian)機(ji)干擾(rao), 應(ying)將(jiang)電動(dong)執(zhi)行(xing)器(qi)的(de)電機(ji)控(kong)制(zhi)線和信(xin)號線(xian)分開走線(xian);接(jie)上(shang)位(wei)儀表(biao)的(de)電(dian)流(liu)控制(zhi)信號(hao)線應盡(jin)量(liang)短(duan)些(xie),若(ruo)必(bi)須使用(yong)較(jiao)長的連線(xian)時(shi),應采用屏蔽信(xin)號(hao)線(xian),外(wai)屏蔽(bi)與控制(zhi)柜(gui)外殼(ke)的其(qi)中(zhong)一段妥善(shan)接(jie)地。
●定(ding)位器(qi)與電(dian)動(dong)執行(xing)器(qi)通過(guo)一(yi)個六(liu)線(xian)接插(cha)件(jian)連接,定(ding)位器的100%、RV、0%分(fen)別(bie)接(jie)電(dian)動執(zhi)行(xing)器內的反(fan)饋(kui)電(dian)位(wei)器的三個端(duan)子(zi),其中RV接(jie)電(dian)位器(qi)的滑臂(bi),定位(wei)器(qi)的0%接執(zhi)行(xing)器關(guan)動(dong)作(zuo)時(shi)與(yu)滑臂(bi)之間(jian)電(dian)阻不斷減小(xiao)一(yi)端(duan),定(ding)位(wei)器的100%則(ze)接(jie)另(ling)一(yi)端(duan);SHUT、OPEN、COM分(fen)別(bie)接執(zhi)行(xing)器的閉(bi)、開、COM端子(zi)。此分(fen)交流電(dian)源與(yu)直(zhi)流(liu)電源,參照產品實(shi)際接(jie)線(xian)圖(tu)。
●正確(que)接(jie)線(xian)結構如(ru)下(xia);
置定(ding)位器(qi)為手(shou)動狀(zhuang)態(tai),按(an)‘UP’ 鍵(jian),執(zhi)行器(qi)開向運(yun)行(xing),定(ding)位器(qi)數(shu)字增加;
置(zhi)定(ding)位器(qi)為(wei)手(shou)動狀態(tai),按'DOWN’ 鍵,執(zhi)行器閉向(xiang)運行(xing),定(ding)位(wei)器(qi)數(shu)字減(jian)少;4~2 0mA輸入(ru)
? | 1 | IN+ | 4-20mA閥(fa)控電(dian)流(liu)輸(shu)入(ru)正 |
| 2 | IN- | 4-20mA閥(fa)控電(dian)流輸入負(fu) |
| 4 ~20mA輸(shu)出(chu) | 3 | OUT+ | 4-20mA閥控電流輸(shu)出正(zheng) |
| 4 | OUT- | 由20mA閥(fa)控(kong)電(dian)流(liu)輸(shu)出負(fu) |
| AC220V電源 | 5 | L | AC220V電(dian)源(yuan)火線(xian) |
| 6 | N | AC220V電(dian)源零線 |
| 電機 | 7 | COM | 執(zhi)行器公(gong)共(gong)端子(zi) |
| 8 | OPEN | 執行(xing)器(qi)開運(yun)行端子(zi) |
| 9 | CLOSE | 執行器(qi)閉(bi)運行端(duan)子(zi) |
| 電(dian)位(wei)器(qi) | 10 | 0% | 反饋(kui)電位器0% |
| 11 | RV | 反(fan)饋電(dian)位器RV |
| 12 | 100% | 反(fan)饋電(dian)位(wei)器100% |
注(zhu)意(yi):
1、為了減(jian)弱(ruo)執(zhi)行(xing)器(qi)啟動停止時電流(liu)沖擊, 一般在(zai)“OPEN”、“CLOSE”分別與(yu)執(zhi)行(xing)器(qi)中(zhong)的(de)“開(kai)”、“閉(bi)”間(jian)接(jie).上4Ω/5W的水泥(ni)電(dian)阻(zu)。
2、定(ding)位器(qi)COM、OPEN、SHUT、為(wei)有(you)源(yuan)輸出端(duan)子(zi),COM、OPEN與COM、SHUT對應輸出電(dian)壓為(wei)電源電(dian)壓(ya)。
19.操作(zuo)指南(nan)
KZQ16-9A操(cao)作方(fang)法(fa)
●上(shang)電(dian)時(shi),面板(ban)所(suo)有指示燈(deng)和數碼管(guan)閃動兩次(ci),定(ding)位(wei)器(qi)開(kai)始自(zi)檢(jian),表(biao)示(shi)定位器(qi)檢測(ce)正(zheng)常。
●自(zi)檢完(wan)成后定(ding)位(wei)器(qi)數(shu)碼管顯(xian)示閥位實際開(kai)度(du)值定(ding)位器(qi)進(jin)人(ren)自(zi)動測(ce)控狀(zhuang)態。
●按A/M鍵(jian)可(ke)切(qie)換(huan)到(dao)手(shou)動(dong)狀(zhuang)態,分別(bie)按(an)“UP”、“DOWN”鍵,檢測執(zhi)行器應對應為“開”和(he)“閉”運(yun)行(xing)動作(zuo),顯示(shi)的數(shu)字(zi)同(tong)步(bu)增(zeng)減,否(fou)則(ze)檢查(cha)定(ding)位(wei)器(qi)( COM、OPEN、SHUT)與(yu)執行器(COM、開、閉(bi))之間接(jie)線(xian)是否正確(que)。
●在(zai)自(zi)動(dong)測(ce)控狀態(tai)下(xia),按“UP”查看(kan)閥(fa)位開(kai)度(du)設(she)定(ding)值,此(ci)時可查(cha)看(kan)輸入(ru)信(xin)號(hao)的(de)變化(hua)趨(qu)勢(shi)和(he)穩(wen)定性。
●在自動(dong)測控狀(zhuang)態(tai)下(xia),按“DOWN”可觀(guan)察定(ding)位(wei)器(qi)殼(ke)內溫度,當溫度(du)超(chao)過80°C時,定(ding)位器超(chao)溫報警。
●長按(an)“A/M”鍵超(chao)過(guo)2秒(miao),定位(wei)器進人(ren)參(can)數(shu)設(she)定(ding)狀態(tai),如超過30秒(miao)無(wu)按鍵(jian)操(cao)作,自(zi)動退(tui)回(hui)到自動(dong)或手(shou)動狀態。20.零(ling)位(wei)滿位(wei)標定(ding)
方(fang)法(fa)一:手(shou)動標定(ding)法(fa)
●自動(dong)或(huo)者手(shou)動狀(zhuang)態(tai)下(xia)按“A/M”鍵(jian)4秒(miao)進人P,修(xiu)改(gai)P=3.1后按 “A/M”鍵,進入(ru)uL參數。
●進(jin)人(ren)到uL參(can)數, 按(an)“UP”或“DOWN”,執(zhi)行器(qi)相應(ying)朝(chao)“開”或“閉”方(fang)向運(yun)作(zuo),同時(shi)顯示的(de)閥位實(shi)際開(kai)度(du)值也相(xiang)應(ying)逐(zhu)漸變(bian)大或變小(xiao),當(dang)到(dao)達期(qi)望零(ling)位后(hou)(如(ru)已(yi)配(pei)閥(fa)可以(yi)目測(ce)閥(fa)門開(kai)度(du),一(yi)般設在(zai)全閉位(wei)置(zhi)),按“AM”鍵,零(ling)位確認(ren),進(jin)入(ru)uL參(can)數。
●在顯(xian)示uL參數(shu)下(xia)同(tong)時按“UP”或(huo)“DOWN”到(dao)期望滿位(如(ru)已(yi)配閥可以(yi)目(mu)測閥(fa)門開度(du),一(yi)般(ban)設在(zai)全(quan)開位(wei)置(zhi)),按“A/M”鍵(jian),滿(man)位確認(ren),返回P。
●修(xiu)改P=5.0,返(fan)回測(ce)控(kong)狀態(tai)。
方法(fa)二(er):自(zi)動標定法
在(zai)手動(dong)或(huo)自動測(ce)控(kong)狀(zhuang)態(tai)下(xia),同時(shi)按“UP”和“DOWN”鍵3秒(miao),即啟動自動(dong)標定(ding)零(ling)位和(he)滿位(wei)程(cheng)序。標定過(guo)程(cheng)不(bu)需人(ren)為(wei)干預(yu)。標定完后(hou),定位(wei)器(qi)自(zi)動(dong)儲存并(bing)返回到(dao)啟動(dong)標定(ding)前(qian)的(de)狀態并自動(dong)保存參(can)數(shu)。
21.輸入(ru)電(dian)流(liu)標(biao)定(ding)
●自(zi)動狀(zhuang)態下按“A/M”鍵4秒進(jin)入P,修改P=11.1,按“A/M”鍵(jian)進入(ru)“iL”參數。
標定零(ling)位(wei)輸(shu)人電(dian)流:顯示(shi)“iL”參數(shu),此時(shi)輸人零位點(dian)信號(hao)4mA,待數(shu)值顯(xian)示(shi)穩(wen)定后(hou),按“AM”鍵確認
,然(ran)后(hou)進入“iH”參數。
●標(biao)定(ding)滿位輸(shu)人電(dian)流(liu):顯示“iH”參(can)數(shu),此時輸(shu)入滿位點(dian)信號20mA,待數(shu)值(zhi)顯示穩定(ding)后(hou),按(an)“AM”鍵確(que)認,使(shi)P參(can)數(shu)=5.0,再次(ci)按(an)“A/M”鍵(jian)自動(dong)退出(chu)并保(bao)存(cun)參(can)數返(fan)回(hui)自動測(ce)控狀(zhuang)態(tai)。
注意(yi):?
1、出廠(chang)后(hou)-般(ban)不(bu)需(xu)要此(ci)項(xiang)操(cao)作,如(ru)需(xu)請(qing)在(zai)工(gong)程(cheng)師指導(dao)下使用。
2、僅調(diao)節(jie)型(xing)使用(yong)此(ci)設置(zhi)。
3、在(zai)輸(shu)入(ru)電(dian)流(liu)標(biao)定(ding)時,需有4~20mA輸出(chu)能力的信(xin)號源(yuan)。
22.輸出(chu)電(dian)流標(biao)定
●自(zi)動或手動(dong)狀態下按(an)“A/M”鍵4秒進(jin)入P,修改(gai)P=1.1,按“AM”鍵(jian)進入“oL”參數。
●標(biao)定(ding)零位(wei)輸(shu)出(chu)電(dian)流:顯(xian)示(shi)“oL”參數(shu),按(an)“UP”或(huo)“DOWN”可(ke)以(yi)修(xiu)改(gai)“oL”的(de)數值,使輸出(chu)電流(liu)=4mA按(an)“A/M”鍵確(que)認,然(ran)后(hou)進(jin)入(ru)“oH”參(can)數(shu)。
●標(biao)定(ding)滿(man)位輸(shu)出電流:顯示“oH”參(can)數(shu),按“UP”或(huo)“DOWN”可(ke)以(yi)修(xiu)改“oL”的(de)數值,使(shi)輸(shu)出(chu)電流=20mA,按“A/M” 鍵(jian)確認,然后進(jin)入電(dian)機(ji)報(bao)警溫(wen)度“T”參數(shu)設(she)定。
●電(dian)機(ji)溫(wen)度報(bao)警設置(zhi):進(jin)入(ru)“T”參(can)數(殼內報警(jing)溫度(du)),按“UP”或(huo)“DOWN”可以修(xiu)改(gai)“T”的(de)數(shu)值(zhi)一(yi)般(ban)設(she)置“T”=70-80度(du),按(an)“A/M”鍵確(que)認(ren)后,使(shi)P參(can)數(shu)=5.0,再次按(an)“A/M”鍵(jian)自(zi)動退出并保(bao)存(cun)參數返回自(zi)動測(ce)控(kong)狀態(tai)。注(zhu)意:
1、出廠后(hou)一般(ban)不需要此項操作,如需(xu)請(qing)在(zai)工程師指(zhi)導下(xia)使(shi)用(yong)。
2、在(zai)輸出電流標(biao)定(ding)時(shi),需有(you)4~20mA輸入量(liang)程的電(dian)流表。
23.恢復出廠設(she)置
按(an)照操作(zuo)流(liu)程進人(ren)P,將P修改=20.1,按“AM”鍵恢復標(biao)定(ding)前的(de)數據(ju),然(ran)后模塊將(jiang)自動進人自(zi)動標(biao)定零滿(man)位(wei),標(biao)定完(wan)成(cheng)后(hou)自(zi)動(dong)保(bao)存(cun)退出(chu)。
24.附錄1-簡(jian)單(dan)操(cao)作(zuo)流程



25.附(fu)錄2-錯誤代(dai)碼(ma)表
| 錯(cuo)誤代碼(ma) | 含義 | 解決(jue)方案 |
| Erl | 模(mo)塊未(wei)標定輸入(ru)輸(shu)出 | 標(biao)定(ding)P-11.1與(yu)5P-1.1,并(bing)保存(cun)退(tui)出 |
| Er2 | 機(ji)內(nei)超溫(wen)報(bao)警(jing) | 設(she)備(bei)或(huo)機(ji)內溫(wen)度過(guo)高,采取(qu)降溫(wen)措施(shi) |
| Er3 | 開(kai)向運(yun)行堵(du)轉 | 檢查(cha)閥(fa)廣]或執(zhi)行器(qi)機(ji)械(xie)部分(fen) |
| Er4 | 閉(bi)向運行堵轉 | 檢查閥門或(huo)執行(xing)器機械(xie)部(bu)分(fen) |
| Er5 | 電機(ji)驅動過(guo)載 | 廠(chang)家(jia)保(bao)留 |
| Er6 | 給定(ding)電(dian)流過(guo)小 | “iL”值,增(zeng)大(da)給定(ding)信(xin)號(hao)到4mA |
| Er7 | 給(gei)定電流過大(da) | “iH”值,減小給定信(xin)號到(dao)20mA |
| Er8 | 閥(fa)位(wei)小于下限 | 檢查“cL”值(zhi)至(zhi)0.00% |
| Er9 | 閥(fa)位(wei)大于上(shang)限(xian) | 檢(jian)查(cha)“cH”值(zhi)至100.0% . |
| Er10 | 零(ling)滿行程(cheng)差(cha)過小口(kou) | 運行(xing)行程差(cha)值(zhi)過小(xiao),重(zhong)新標(biao)定閥(fa)門(men)零滿(man)位(wei) |
| Er15 | 電(dian)機或(huo)者(zhe)電位器(qi)未(wei)接好,上下(xia)行同時堵轉(zhuan) | 檢(jian)查(cha)電(dian)機(ji)接(jie)線(xian)及電(dian)位(wei)器接(jie)線(xian)是(shi)否(fou)松(song)脫 |
26.使(shi)用(yong)與(yu)維護(hu)
1、維護(hu)與(yu)保養(yang)
●由(you)于使(shi)用了壽(shou)命(ming)長、耐壓性(xing)好的(de)高(gao)級(ji)鉬基(ji)潤(run)滑(hua)脂(zhi),所以無(wu)需點檢與(yu)加(jia)油(you)。
●在(zai)閥(fa)門]的(de)動作(zuo)很稀少(shao)時,請(qing)定期驅(qu)動(dong)執行機(ji)構(gou),檢查有(you)無(wu)異常。
●產品(pin)應(ying)用時遵守GB3836.13-1999、GB3836.15-2000、GB3836.16- -2006和GB50257-
1996的有關規定(ding)。
27.故(gu)障與對策| 故障現象 | 原(yuan)因(yin) | 對策(ce) |
| 電機不啟(qi)動 | 沒(mei)有接上(shang)電(dian)源(yuan) | 接好(hao)電源(yuan) |
| 斷(duan)線、接頭(tou)與(yu)端(duan)子脫離(li) | 修理斷(duan)線,正(zheng)確(que)連接(jie)緊(jin)固端子(zi) |
| 電源電壓不(bu)對或電壓過低 | 檢(jian)查電壓(ya)是否(fou)正(zheng)常(chang) |
| 過熱(re)保護器動(dong)作(zuo)(環境溫(wen)度(du)是(shi)否過(guo)高,閥門是否卡(ka)死(si)) | 降(jiang)低環(huan)境溫度(du),用(yong)手(shou)動(dong)的(de)方法檢查閥門(men)的(de)開閉(bi)是(shi)否(fou)正(zheng)常 |
| 微動(dong)開關(guan)的(de)動(dong)作(zuo)不(bu)良 | 更(geng)換(huan)微(wei)動(dong)開(kai)關 |
| 啟(qi)動運(yun)行電(dian)容不(bu)良(liang) | 與(yu)生(sheng)產(chan)廠(chang)家聯系(xi)更(geng)換(huan)電容 |
| 開閉(bi)指(zhi)示燈(deng)不亮(liang) | 指示(shi)燈(deng)壞 | 更換指示燈(deng) |
| 微(wei)動(dong)開(kai)關動作(zuo)不良 | 更換微動(dong)開(kai)關(guan) |
| 運行(xing)到(dao)極限位置(zhi)電(dian)機不(bu)能停轉(zhuan) | 極限微(wei)動開關(guan)動作不(bu)良(liang) | 更(geng)換(huan)微(wei)動開(kai)關 |
| 三(san)相(xiang)交(jiao)流電(dian)源相序(xu)接反(fan) | 調(diao)整三相交(jiao)流電(dian)源(yuan)相序(xu) |
| 微動(dong)開(kai)關(guan)接人(ren)控(kong)制(zhi)回路錯誤(wu) | 調(diao)整(zheng)接線(xian) |
| 機械限(xian)位超前(qian)電(dian)氣限(xian)位動(dong)作(zuo) | 按照機械(xie)限(xian)位(wei)擋塊(kuai)的調(diao)整說(shuo)明,重(zhong)新(xin)調整機械限(xian)位(wei) |
| 伺(ci)服(fu)控制器(qi)調(diao)試不當 | 根據說明(ming)書(shu)重(zhong)新(xin)調試(shi) |